LIKHITA
Embedded Systems Engineer

Likhita
Jonnakuti

Building from bare metal up — firmware, BIOS, and hardware interfaces that make systems run faster, safer, and smarter.

3.85
GPA at CU Boulder
2
Years at Honeywell
01 — EXPERIENCE

Where I've Worked

Honeywell Technology Solutions
JUL 2023 – AUG 2025
Embedded Engineer II · Bengaluru, India
  • Reduced power-up boot time from 4s → 1s (75%) by profiling boot stages, enabling parallel dual-DIMM DDR4 configuration, loop unrolling, and leveraging SIMD instructions.
  • Configured PCIe lane bifurcation for successful bring-up of PCIe devices on Intel i7 Gen 11 platform.
  • Customized SlimBootloader — reduced codebase by 40% — by stripping generic code for safety-critical embedded system.
  • Implemented split boot recovery and developed bare-metal SPI Flash driver (read/write/erase) per Intel datasheet.
  • Configured memory cache policies to optimize performance across all stages of the UEFI BIOS boot flow.
  • Contributed 5% bug fixes and enhancements to the open-source SlimBootloader GitHub repository.
  • Trained newcomers on board bring-up procedures for Intel i7 Gen 11 during early development stage.
02 — TECHNICAL SKILLS

Tools & Technologies

// Languages
C Embedded C Assembly Python - Basic
// Microcontrollers & Processors
Intel Core i7-1185GRE 8051 STM32F091RC STM32F411VE SPLD Nvidia Jetson Nano
// Development & Debugging Tools
Intel System Debugger Intel SVT CCA STM32CubeIDE Keil uVision BIOS / UEFI (EDK II) RTOS Linux Bash Logic Analyzer Oscilloscope
// Hardware Interfaces
GPIO SPI I2C UART PCIe ADC / DAC PWM DMA NVSRAM EEPROM Interrupts Timers
// Simulation & Design
MATLAB / Simulink LTspice KiCad EDA Playground WinCUPL WinSim
03 — PROJECTS

Things I've Built

8051 Board
AUG 2025
8051 Board Bring-Up
AT89C51RC2 · KiCad · UART · SPI · I2C

Designed a custom 8051 PCB with power regulation, oscillator, external NVSRAM and reset system. Implemented interrupt-driven circular FIFO buffer, bit-banged I2C for 24LC16B EEPROM, and SPI with MCP4802 DAC. Verified timing via oscilloscope and logic analyzer.

⌥ View Code on GitHub
8051 Board 8051 Board
SEP 2025
Dice Roller — D&D
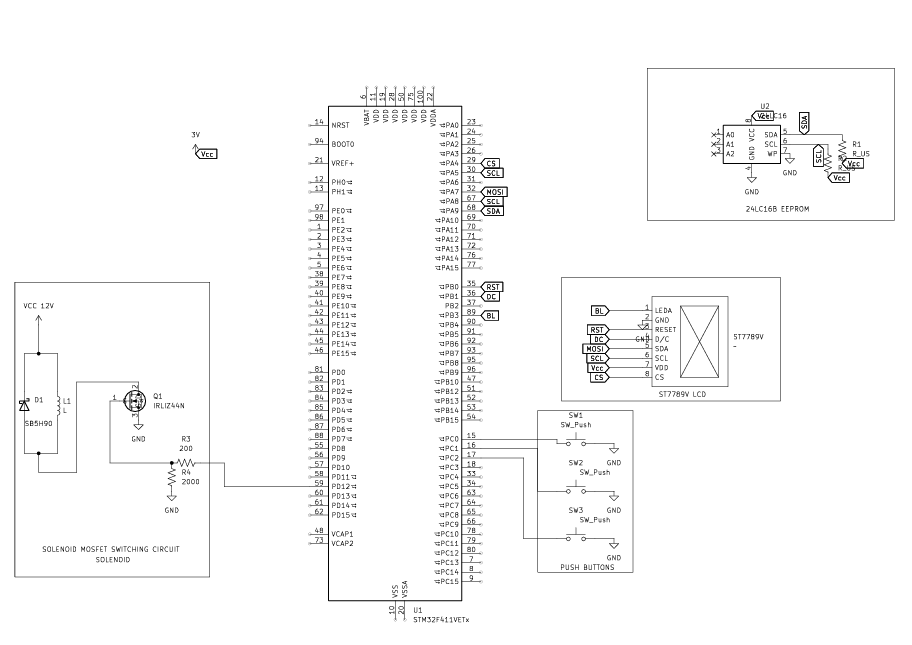
STM32F411VE · Solenoid · ST7789 · IRLZ44N

Designed an NMOS (IRLZ44N) switching circuit to drive a 12V 3A solenoid. Interfaced an ST7789 color display via SPI. Implemented I2C EEPROM for persistent data storage with custom read/write/erase routines.

OCT 2025
Gesture-Controlled Slides
STM32F091RC · SEN-13162 · JDY-31 Bluetooth

Interfaced SEN-13162 gesture sensor via I2C to detect ZX-axis motion for touchless slide control. Established wireless PC communication using JDY-31 Bluetooth module on STM32.

⌥ View Code on GitHub
JUL 2021
Autonomous Warehouse Robots
OpenCV · Arduino UNO · NRF24L01 · L298N

Built a centralized monitoring system for robot motion detection and path correction with 80% accuracy. Used PWM-based motor control from vision data. Reduced system cost by 50% with Arduino UNO and NRF24L01 transceiver. (Flipkart Grid 3.0)

⌥ View Code and Results on Google Drive
04 — EDUCATION

Academic Background

2025 – 2027
University of Colorado Boulder
M.S. ELECTRICAL & COMPUTER ENGINEERING
GPA: 3.85 / 4.0

Embedded Systems Design · Principles of Embedded Software · Real-Time Embedded Systems · Advanced Embedded Linux Development

2019 – 2023
NIT Karnataka
B.TECH ELECTRICAL & ELECTRONICS ENGINEERING
GPA: 7.7 / 10

Major in Electrical & Electronics Engineering

05 — AWARDS

Recognition & Honors

Honeywell Drive Accountability Culture Award '25
Recognized for successful release of Boot/PAL build for DU1080-HW4 platform.
Honeywell APLAS Award '25
Awarded by VP of Engineering Thandava K. Edara for reducing system power-up time by 87.5%.
06 — CONTACT

Let's build something remarkable together.